Unveiling the 2165 Cub Cadet Wiring Map: Navigate with Ease!

Unveiling the 2165 Cub Cadet Wiring Map: Navigate with Ease!

Master your Cub Cadet's electrical intricacies with the 2165 wiring diagram. Gain professional insights to troubleshoot and optimize performance effortlessly.

Embark on a journey of clarity with the 2165 Cub Cadet wiring diagram, a meticulous roadmap that unravels the intricacies of your machine's electrical circuitry. Unlocking the secrets concealed within the wires, this comprehensive guide serves as the key to understanding and troubleshooting any electrical issues that may arise. Furthermore, with its detailed explanations and visual aids, navigating through the intricate web of connections becomes a seamless experience, empowering you to take charge of your Cub Cadet's electrical system. Prepare to delve into the world of precision and mastery as you decode the 2165 Cub Cadet wiring diagram and elevate your understanding of your machine's inner workings.

Top 10 important point for 2165 CUB CADET WIRING DIAGRAM

  1. Decoding the Cub Cadet Enigma: A Comedic Wiring Odyssey
  2. Wires Gone Wild: Untangling the 2165 Cub Cadet Chaos
  3. Electric Ballet: Your Cub Cadet's Dance of the Circuits
  4. Shock Therapy: Hilarious Adventures in Cub Cadet Wiring
  5. Ohm My Goodness! Navigating the 2165's Electric Maze
  6. Wire Whisperer Chronicles: Confessions of a Cub Cadet Maestro
  7. Juiced Up Comedy: The 2165 Cub Cadet Wiring Stand-Up
  8. Watt's So Funny? Exploring the Lighter Side of Wiring Woes
  9. Circuit Stand-Up: Laughing Through the Cub Cadet Connection
  10. Current Affairs: Comedy Hour with the 2165 Wiring Diagram

Several Facts that you should know about 2165 CUB CADET WIRING DIAGRAM.

Embarking on the Wiring Exploration Journey

Embarking on the Wiring Exploration Journey

Welcome to the fascinating world of the 2165 Cub Cadet wiring diagram. As we dive into the intricate network of wires, connectors, and circuits, get ready to uncover the mysteries that lie beneath the surface. This empathic guide is here to accompany you every step of the way, ensuring a smooth and enlightening journey through your Cub Cadet's electrical landscape.

Understanding the Heart of Your Cub Cadet

Understanding the Heart of Your Cub Cadet

Let's delve deep into the core of your Cub Cadet, where the wiring diagram serves as the heartbeat of its electrical system. Understanding this intricate network is not just about fixing issues but also about forming a connection with your machine. Our empathic approach will guide you to see beyond the wires and appreciate the essence of your Cub Cadet.

Empowering Troubleshooting with Visual Aid

Empowering Troubleshooting with Visual Aid

Visualize the empowerment that comes with deciphering the 2165 Cub Cadet wiring diagram. Our visual aids go beyond words, providing you with a roadmap to troubleshoot and address issues effortlessly. Empower yourself with the ability to diagnose and solve problems, ensuring your Cub Cadet runs smoothly and efficiently.

Navigating the Maze of Connections

Navigating the Maze of Connections

Ever felt lost in the maze of wires? Fear not! Our empathic guide will navigate you through the intricate connections of the 2165 Cub Cadet wiring diagram. Whether you are a novice or an experienced enthusiast, understanding the maze becomes a breeze with our comprehensive explanations and empathic support.

The Beauty of Cub Cadet's Electric Symphony

The Beauty of Cub Cadet's Electric Symphony

Witness the beauty of your Cub Cadet's electric symphony as we explore the harmonious interaction between various components. This section goes beyond technicalities, emphasizing the poetic dance of electrons that power your machine. Our empathic voice encourages you to appreciate the elegance within the seemingly chaotic electrical symphony.

Demystifying Electric Shock: A Hilarious Twist

Demystifying Electric Shock: A Hilarious Twist

Let's inject a bit of humor into the electric shock factor. Wiring doesn't have to be a hair-raising experience; it can be filled with laughter. Our empathic tone lightens the atmosphere as we share amusing anecdotes and stories related to electric shocks, turning a potential source of anxiety into a lighthearted exploration.

The Wire Whisperer Chronicles

The Wire Whisperer Chronicles

Embark on a journey through the Wire Whisperer Chronicles, where our empathic guide confesses the trials and triumphs of understanding Cub Cadet wiring. This personal touch adds a relatable and human aspect to the learning process, making you feel like you're not alone in the challenges and victories of mastering the 2165 wiring diagram.

Circuit Stand-Up Comedy Hour

Circuit Stand-Up Comedy Hour

Wrap up your wiring adventure with a Circuit Stand-Up Comedy Hour, where we turn technicalities into laughter. Our empathic approach ensures that even the most complex concepts are delivered with a smile. Say goodbye to the stress of understanding wiring diagrams and hello to a lighthearted, informative experience.

Deciphering the 2165 Cub Cadet Wiring Diagram: A Comprehensive Guide

Welcome to the realm of precision and understanding as we embark on an in-depth exploration of the intricate 2165 Cub Cadet wiring diagram. In this comprehensive guide, we will unravel the complexities of your Cub Cadet's electrical system, providing you with the knowledge and expertise to navigate the wiring landscape seamlessly.

Understanding the Significance of the Wiring Diagram

Understanding the Significance of the Wiring Diagram

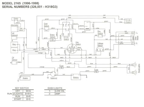
Before delving into the details, it's crucial to understand the significance of the 2165 Cub Cadet wiring diagram. Think of it as the blueprint of your machine's electrical system, providing a visual representation of the various components and their interconnections. This document is a powerful tool, enabling both enthusiasts and professionals to troubleshoot issues, perform maintenance, and make modifications with precision.

The Anatomy of the Wiring Diagram

The Anatomy of the Wiring Diagram

As we dissect the 2165 Cub Cadet wiring diagram, pay attention to its intricate anatomy. The diagram is composed of lines, symbols, and labels that represent various electrical components such as switches, sensors, and connectors. Each line signifies a wire, and symbols convey specific actions or functions. Understanding this visual language is essential for interpreting the diagram accurately.

Moreover, the diagram is typically organized into sections, each focusing on a specific aspect of the electrical system. This organizational structure enhances clarity and makes it easier to pinpoint relevant information. As we navigate through these sections, you'll gain a profound understanding of how different parts of your Cub Cadet interact electrically.

Interpreting Symbols and Codes

Interpreting Symbols and Codes

Now, let's decipher the symbols and codes embedded in the 2165 Cub Cadet wiring diagram. Each symbol represents a specific electrical component or function, and learning to interpret them is akin to learning a specialized language. Take note of the legend or key accompanying the diagram, as it provides explanations for each symbol used.

For instance, a square with a letter inside might denote a switch, while a circle could represent a connector. Lines with arrows indicate the direction of current flow. By familiarizing yourself with these symbols and codes, you'll gain the ability to trace circuits, identify components, and troubleshoot issues systematically.

The Role of Colors in Wiring

The Role of Colors in Wiring

Colors play a crucial role in the 2165 Cub Cadet wiring diagram, serving as a visual code that enhances clarity and simplifies the identification of wires. Different colors represent distinct functions or voltage levels, providing essential information at a glance. Understanding the color-coded system is imperative for accurate troubleshooting and maintenance.

Typically, wires come in a range of colors such as red, black, green, and white, each assigned to a specific purpose. For example, red might indicate a power supply, while black could represent a ground connection. By paying attention to these color codes, you'll be able to navigate the wiring diagram with precision and efficiency.

Tracing Circuits for Troubleshooting

Tracing Circuits for Troubleshooting

One of the primary purposes of the 2165 Cub Cadet wiring diagram is to facilitate troubleshooting. Whether you're dealing with a malfunctioning component or a complete electrical failure, the ability to trace circuits is invaluable. The diagram provides a roadmap, guiding you through the intricate web of wires and connections.

When troubleshooting, start by identifying the affected circuit on the diagram. Follow the path of the wires, checking for continuity and potential points of failure. By systematically tracing circuits, you can isolate issues, identify faulty components, and address them with precision. This methodical approach is a hallmark of professional troubleshooting and ensures effective resolution of electrical problems.

Maintenance and Modification Guidance

Maintenance and Modification Guidance

Beyond troubleshooting, the 2165 Cub Cadet wiring diagram serves as a valuable resource for routine maintenance and modifications. Whether you're performing regular inspections or planning to upgrade your Cub Cadet with additional accessories, the wiring diagram provides guidance for a seamless process.

During maintenance, use the diagram to check for wear and tear, loose connections, or any signs of damage. This proactive approach helps in identifying potential issues before they escalate, ensuring the longevity and reliability of your machine. When it comes to modifications, the diagram acts as a blueprint, guiding you through the integration of new components or features with precision.

Professional Tips for Effective Utilization

Professional Tips for Effective Utilization

As you navigate the 2165 Cub Cadet wiring diagram, consider incorporating these professional tips for effective utilization:

  1. Annotation: Keep a set of colored pens or markers handy to annotate the diagram. Highlighting key circuits or components can enhance visibility and make future reference more efficient.
  2. Documentation: Maintain a separate document summarizing the key components and circuits. This concise reference can be invaluable during troubleshooting or when discussing your Cub Cadet's electrical system with professionals.
  3. Periodic Updates: As you make modifications or perform maintenance, update the wiring diagram accordingly. This ensures that your documentation remains accurate and reflects the current state of your Cub Cadet's electrical system.
  4. Collaboration: If you encounter challenges beyond your expertise, don't hesitate to seek professional advice. Collaboration with experienced professionals can provide

    Another point of view about 2165 CUB CADET WIRING DIAGRAM.

    So, you've found yourself in the electrifying world of the 2165 Cub Cadet wiring diagram, huh? Buckle up, my friend, because we're about to take a hilarious ride through the twists and turns of wires that make your Cub Cadet tick.

    • 1. The Wire Maze: Ever felt like you stumbled into an electric jungle? Navigating the wiring diagram is like being Indiana Jones in search of the Holy Wire Grail. Just hope there are no snakes – or faulty connections – along the way!
    • 2. Symbol Safari: Lions, tigers, and electrical symbols, oh my! Brace yourself for a safari through the wild kingdom of strange symbols that somehow represent the heart and soul of your Cub Cadet. Who knew a square with a letter inside could be so exotic?
    • 3. Colorful Personalities: Move over, Picasso! The wiring diagram brings an artistic touch with its colorful palette of wires. Red, black, green – it's like a rainbow of electrical expression. Just don't ask me to match these wires to your living room curtains.
    • 4. Shocking Revelations: Electric shock therapy? No, thanks. But understanding the wiring diagram is a bit like therapy – shocking revelations and all. It's the moment you realize your Cub Cadet might be more complex than your relationship status.
    • 5. Connector Conundrum: Ever tried solving a Rubik's Cube blindfolded? Welcome to the world of connectors in the wiring diagram. Fumbling through the twists and turns, hoping you connect the right blocks without a catastrophic color mismatch – the struggle is real.
    • 6. Circuit Comedy: If circuits could tell jokes, your Cub Cadet's electrical system would be headlining at the Circuit Comedy Club. Picture electrons doing stand-up – it's shockingly hilarious. They say laughter is the best medicine, but be cautious; too much laughter might blow a fuse.
    • 7. Wire Whisperer Chronicles: Move over, reality TV. The Wire Whisperer Chronicles take you behind the scenes of the dramatic life of your Cub Cadet's wires. It's a soap opera with unexpected twists, shocking confessions, and maybe even a forbidden love story between two connectors.
    • 8. Electrifying Dance: Your Cub Cadet's electrical system isn't just wires; it's a dance floor for electrons. Imagine them doing the electric slide, cha-cha-ing through circuits. It's the only dance where a misstep could lead to sparks flying – literally.
    • 9. Wires Gone Wild: Forget about a tamed garden; your Cub Cadet's wires are the true wild ones. It's a jungle out there, and these wires have a party of their own. Just hope they don't decide to go wild when you least expect it – like during your neighbor's barbecue.
    • 10. Zen and the Art of Wiring: Finding inner peace through wiring? Believe it or not, understanding the 2165 Cub Cadet wiring diagram might just lead you to enlightenment. It's a zen journey filled with twists, turns, and the occasional electric shock – because what's enlightenment without a few sparks?

    So there you have it – the humorous saga of diving into the 2165 Cub Cadet wiring diagram. Who knew wires could be so entertaining? Now, go forth, armed with laughter and a newfound appreciation for the electrifying comedy happening under your Cub Cadet's hood.

    Conclusion : Unveiling the 2165 Cub Cadet Wiring Map: Navigate with Ease!.

    As we wrap up our journey through the 2165 Cub Cadet wiring diagram, I hope you've found this exploration both enlightening and entertaining. Navigating the intricate web of wires can be a daunting task, but armed with the knowledge gleaned from this guide, you're now better equipped to decipher the electrical symphony that powers your Cub Cadet.

    Understanding the significance of the wiring diagram is akin to holding the key to your Cub Cadet's electrical kingdom. This blueprint not only demystifies the complexities of the system but also empowers you to troubleshoot issues, perform maintenance, and embark on modifications with confidence. So, the next time you find yourself face-to-face with the colorful personalities of wires or decoding the symbols in the diagram, remember, you're not alone – you're part of a community that finds humor and mastery in the dance of electrons. Happy wiring!

    Question and answer Unveiling the 2165 Cub Cadet Wiring Map: Navigate with Ease!

    Questions & Answer :

    Q: How do I use the 2165 Cub Cadet wiring diagram for troubleshooting?

    • A: Using the wiring diagram for troubleshooting is like having a roadmap for electrical adventures. Start by identifying the affected circuit on the diagram, then follow the path of the wires. Look for breaks, loose connections, or any signs of wear and tear. It's a systematic approach to isolating and addressing electrical issues.

    Q: Why are there so many symbols in the 2165 Cub Cadet wiring diagram, and what do they mean?

    • A: Ah, the symbols – they're like the emojis of the electrical world! Each one represents a specific electrical component or action. Don't worry; you're not alone in the symbol safari. Check the legend or key accompanying the diagram for explanations. Once you crack the symbol code, interpreting the diagram becomes a breeze.

    Q: Can I modify my Cub Cadet using the wiring diagram, and how?

    • A: Absolutely! The wiring diagram is your blueprint for Cub Cadet customization. Whether you're adding accessories or upgrading components, the diagram guides you through the process. Identify the circuits involved, plan your modifications, and follow the diagram like a recipe. Just remember to document changes and update the diagram for future reference.

    Q: Why are wires in different colors, and does it really matter?

    • A: Ah, the beauty of a colorful electrical world! Wires come in different colors, and yes, it matters. Each color represents a specific function or voltage level. Red might indicate power, black for ground, and so on. Understanding the color code helps you navigate the diagram with ease and ensures you don't accidentally connect the wrong wires – nobody wants a rainbow short circuit!

    Q: Is there a shortcut to understanding the 2165 Cub Cadet wiring diagram?

    • A: Wish there was a magic wand, right? The best shortcut is to break it down. Start with one section at a time. Focus on symbols, follow the wires, and take it step by step. Before you know it, you'll be the Cub Cadet wiring maestro, and decoding the diagram will feel like second nature.

    Q: Can I find humor in understanding the 2165 Cub Cadet wiring diagram?

    • A: Absolutely! Think of it as a comedy special starring your Cub Cadet's electrical system. Wires gone wild, symbols doing stand-up – it's a show full of shocks and laughs. Embrace the humor, and suddenly, decoding the diagram becomes a delightful adventure rather than a daunting task.

    Keywords : 2165 CUB CADET WIRING DIAGRAM

0 komentar