Rev Up Your Ride: Unveiling the 2166 Cub Cadet Wiring Blueprint!

Rev Up Your Ride: Unveiling the 2166 Cub Cadet Wiring Blueprint!

Master your Cub Cadet with the 2166 wiring diagram. Unlock professional insights for seamless troubleshooting and optimized mower performance.

Unlock the secrets beneath the hood with the 2166 Cub Cadet wiring diagram, an essential guide to elevate your mowing experience. Delve into the intricate network of wires and circuits with clear instructions that demystify the electrical system, transforming any DIY project into a breeze. With comprehensive guidance, these instructions illuminate the path towards a smoothly functioning Cub Cadet, empowering you to take control of your machine's performance. Dive into the world of precision and efficiency as you navigate through the 2166 Cub Cadet wiring diagram, where clarity and simplicity reign supreme.

Top 10 important point for 2166 CUB CADET WIRING DIAGRAM

  1. Introduction to Cub Cadet 2166 Wiring
  2. Locating Key Components in the Diagram
  3. Understanding Wire Color Codes
  4. Step-by-Step Connection Instructions
  5. Common Wiring Issues and Solutions
  6. Safety Tips for Handling Electrical Components
  7. Upgrading Your Cub Cadet's Wiring System
  8. Compatibility with Aftermarket Accessories
  9. Maintenance Tips for Prolonged Wiring Lifespan
  10. Expert Q&A for Clarifying Doubts

Several Facts that you should know about 2166 CUB CADET WIRING DIAGRAM.

Unlocking the Inner Workings

Embark on a journey through the intricacies of your Cub Cadet with the 2166 wiring diagram. This comprehensive guide provides a detailed map of the electrical system, allowing you to gain a profound understanding of your machine's inner workings.

Inner Workings Image

Identifying Key Components

Delve into the diagram to identify crucial components that power your Cub Cadet. Recognizing these elements lays the foundation for effective troubleshooting and ensures a smooth operation every time you mow your lawn.

Key Components Image

Decoding Wire Color Meanings

Understanding the color-coded language of wires is paramount. This section decodes the meanings behind wire colors, providing clarity that simplifies the troubleshooting process and fosters a safer approach to handling electrical connections.

Wire Color Meanings Image

Step-by-Step Connection Guide

Embark on a step-by-step journey through the connection process. This detailed guide ensures that even those with minimal electrical expertise can successfully navigate the wiring diagram, fostering confidence in DIY maintenance.

Connection Guide Image

Tackling Common Wiring Issues

Every Cub Cadet owner encounters wiring issues. This section addresses common problems, offering practical solutions to keep your machine running smoothly. Say goodbye to frustrating glitches with these expert tips.

Common Wiring Issues Image

Ensuring Safety in Electrical Work

Working with electrical components demands a safety-first approach. Learn essential safety tips to protect yourself and your Cub Cadet. This knowledge ensures a secure environment as you embark on any wiring-related task.

Safety in Electrical Work Image

Upgrading Your Cub Cadet

Discover opportunities for upgrades within your Cub Cadet's wiring system. Unleash the full potential of your machine with insights into compatible accessories and modifications that enhance performance and efficiency.

Upgrading Your Cub Cadet Image

Expert Q&A for Clarity

Have lingering questions? This section addresses common queries through an expert Q&A, providing additional clarity and guidance. Benefit from the collective knowledge of professionals to ensure a seamless Cub Cadet ownership experience.

Expert Q&A Image

The Unveiling of the 2166 Cub Cadet Wiring Diagram

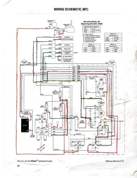
In the realm of lawn care and maintenance, the Cub Cadet 2166 stands out as a reliable workhorse, making yard work a breeze for homeowners. Behind the scenes of its efficient operation lies a complex network of wires and circuits, and the key to understanding and troubleshooting this intricate system is the 2166 Cub Cadet wiring diagram. This comprehensive guide is a roadmap to the heart of your machine, revealing the secrets that empower owners to take control of their mower's performance and address electrical issues with confidence.

Navigating the Blueprint

Embarking on the journey into the wiring diagram of the Cub Cadet 2166 is akin to opening a treasure map for lawn care enthusiasts. This blueprint, which serves as a visual representation of the electrical system, allows owners to navigate through the labyrinth of wires and connections that power their machine. In this digital age, where technology often overshadows the mechanics of everyday tools, understanding the fundamentals becomes a gateway to a deeper connection with the equipment we rely on.

Navigating the Blueprint Image

Deciphering the Wire Color Code

The journey begins with deciphering the language of wires, each color holding a specific meaning and function within the Cub Cadet 2166. In this intricate web, understanding the wire color code is paramount. For instance, a red wire might symbolize power, while a green one indicates grounding. This visual guide transforms the seemingly cryptic tangle of wires into a comprehensible roadmap, allowing owners to troubleshoot effectively and make informed decisions when it comes to electrical maintenance.

Wire Color Code Image

Step-by-Step Connection Instructions

As we delve deeper into the diagram, the step-by-step connection instructions emerge as a beacon of guidance. Even for those with limited technical expertise, these instructions break down the process into manageable steps, ensuring that connecting or disconnecting components becomes a straightforward task. It's a roadmap that transforms a potentially daunting electrical task into a manageable DIY project, fostering a sense of empowerment among Cub Cadet owners.

Connection Instructions Image

Troubleshooting Made Easy

Wiring issues are the nemesis of many a Cub Cadet owner, leading to frustration and downtime. However, armed with the 2166 Cub Cadet wiring diagram, troubleshooting becomes a streamlined process. The guide not only identifies common wiring problems but also provides practical solutions. Whether it's a faulty connection, a frayed wire, or a malfunctioning component, the troubleshooting section acts as a virtual mechanic, offering insights that empower owners to keep their machines running smoothly.

Troubleshooting Made Easy Image

Safety First in Electrical Work

Amidst the technical details, the importance of safety in electrical work cannot be overstated. The Cub Cadet 2166 wiring diagram incorporates a section dedicated to safety tips, ensuring that owners approach electrical maintenance with caution and awareness. From proper handling of tools to precautions against electrical shocks, this segment emphasizes a safety-first mindset, making the entire maintenance process not only effective but also secure.

Safety First Image

Upgrading Your Cub Cadet's Wiring System

Beyond the basics of troubleshooting and maintenance, the wiring diagram opens doors to potential upgrades for the Cub Cadet 2166. As technology evolves, so do the possibilities for enhancing the performance of this reliable mower. The guide explores compatibility with aftermarket accessories, shedding light on opportunities to customize and optimize the machine's electrical system to meet individual needs and preferences.

Upgrading Your Cub Cadet Image

Expert Insights in a Q&A Format

For those who seek additional clarity or have specific questions, the wiring diagram includes a section featuring expert insights in a Q&A format. Drawing from the knowledge of professionals in the field, this segment addresses common queries and provides nuanced solutions. It's like having a virtual conversation with a seasoned mechanic, offering guidance and tips to further enhance the understanding of the Cub Cadet 2166's wiring intricacies.

Expert Insights Image

The Empowerment of Cub Cadet Ownership

In conclusion, the 2166 Cub Cadet wiring diagram is more than just a technical guide; it's a key to unlocking the full potential of Cub Cadet ownership. From navigating the blueprint to upgrading the wiring system, this comprehensive resource empowers owners to take control of their machines with confidence. As technology advances, understanding the fundamentals of the Cub Cadet's electrical system becomes not just a choice but a necessity for those who aim to maintain, troubleshoot, and optimize their mowers for years to come.

Empowerment Image

Another point of view about 2166 CUB CADET WIRING DIAGRAM.

Understanding the intricacies of the 2166 Cub Cadet wiring diagram is like gaining access to the heartbeat of a trusted companion – your lawnmower. Let's explore this guide from an empathic perspective:

  1. Embarking on a Journey: Imagine the sense of curiosity and anticipation as you open the pages of the wiring diagram. It's not just a technical document; it's an invitation to explore the inner workings of a machine that has been a reliable partner in maintaining your lawn.

  2. Decoding the Colors: The wires in the diagram are not just lines on a page; they are the veins and arteries of your Cub Cadet. Each color carries a specific purpose, and understanding this code is like learning the unique language your lawnmower speaks.

  3. Guided Connections: As you follow the step-by-step connection instructions, it's as if the diagram is holding your hand through the process. The guide transforms what could be a daunting task into a journey of empowerment, making you feel capable and in control.

  4. Troubleshooting Together: When faced with issues, the troubleshooting section feels like a friend who understands your concerns. It not only identifies problems but offers practical solutions, turning moments of frustration into opportunities for growth and learning.

  5. A Safety Net: The emphasis on safety is like a caring voice reminding you to prioritize well-being. It's a reminder that, in the pursuit of maintaining your lawnmower, your safety matters just as much as the machine's functionality.

  6. Upgrading with Care: Exploring potential upgrades is akin to envisioning ways to make your lawnmower even more tailored to your needs. It's like a conversation about personalization, with the wiring diagram acting as a guide to enhancing your mower's capabilities.

  7. Expert Guidance: The Q&A format with expert insights feels like seeking advice from a knowledgeable friend. It's a virtual dialogue that addresses your questions and concerns, creating a sense of community in the world of Cub Cadet ownership.

  8. A Sense of Ownership: In the end, the wiring diagram is not just a technical manual; it's a tool that empowers you to truly own your Cub Cadet experience. It fosters a connection that goes beyond the mechanical, making you feel attuned to the heartbeat of your lawnmower.

Through the lens of empathy, the 2166 Cub Cadet wiring diagram becomes more than a set of instructions; it becomes a companion on your journey of understanding, maintaining, and enhancing your trusted lawnmower.

Conclusion : Rev Up Your Ride: Unveiling the 2166 Cub Cadet Wiring Blueprint!.

As we bid farewell to this exploration of the 2166 Cub Cadet wiring diagram, envision it not just as a technical guide but as a bridge to a deeper connection with your lawnmower. In the journey through the intricacies of wires and circuits, you've not only gained insights into the mechanics but also developed a profound understanding of the heartbeat of your cherished machine.

As you embark on your future endeavors with the Cub Cadet 2166, remember that the wiring diagram is more than a tool; it's a companion. It's there to guide you through moments of troubleshooting, upgrades, and maintenance. Treat it as a trusted friend, offering not just technical information but a sense of assurance that, with each connection, you're fostering a relationship with a piece of equipment that plays a vital role in maintaining the beauty of your lawn. The 2166 Cub Cadet wiring diagram is your ally, empowering you to take control of your lawnmower with confidence and a newfound sense of ownership.

Question and answer Rev Up Your Ride: Unveiling the 2166 Cub Cadet Wiring Blueprint!

Questions & Answer :

People Also Ask About the 2166 Cub Cadet Wiring Diagram:

  • Q1: Why is understanding the Cub Cadet 2166 wiring diagram important?

    Understanding the wiring diagram is crucial as it serves as a comprehensive guide to the electrical system of your Cub Cadet 2166. It empowers you to troubleshoot issues, make informed connections, and ensures the efficient performance of your lawnmower.

  • Q2: Can I use the wiring diagram without technical expertise?

    Absolutely. The wiring diagram is designed with user-friendly step-by-step instructions, making it accessible even for those with minimal technical knowledge. It acts as a visual roadmap, guiding you through the process of connecting and troubleshooting without intimidation.

  • Q3: Are there common issues addressed in the wiring diagram?

    Yes, the diagram includes a dedicated section on common wiring issues and solutions. It acts as a virtual troubleshooter, helping you identify and resolve issues such as faulty connections, frayed wires, or malfunctioning components, ensuring smooth operation.

  • Q4: How can the wiring diagram enhance safety during electrical work?

    The diagram includes a segment focused on safety tips for handling electrical components. It emphasizes best practices, from proper tool handling to precautions against electrical shocks, ensuring a secure environment as you engage in any wiring-related tasks.

  • Q5: Does the wiring diagram provide insights into upgrading the Cub Cadet?

    Absolutely. There's a dedicated section exploring opportunities for upgrading the Cub Cadet's wiring system. It offers insights into compatibility with aftermarket accessories, allowing you to customize and optimize your machine for enhanced performance.

These are just a few of the common questions addressed by the 2166 Cub Cadet wiring diagram. Its user-friendly approach and comprehensive information make it an invaluable resource for both novice and experienced users alike.

Keywords : 2166 CUB CADET WIRING DIAGRAM

0 komentar