Illuminate with Precision: Unveiling the 208 Lighting Wiring Blueprint!

Illuminate with Precision: Unveiling the 208 Lighting Wiring Blueprint!

Unlock the mastery of lighting control with our comprehensive 208 Lighting Wiring Diagram. Elevate your understanding, streamline installations, and illuminate spaces with precision. Your guide to seamless brilliance!

Dive into the world of seamless illumination as we unravel the intricacies of the 208 lighting wiring diagram. Picture this: a symphony of wires orchestrating the perfect balance between functionality and aesthetics. Discover the magic behind every flick of the switch, where innovation meets design, guiding you through a visual journey of electrical brilliance. Now, let's shed light on the secrets embedded within the 208 lighting wiring diagram, demystifying the language of circuits with a touch of curiosity and a dash of technical allure.

Top 10 important point for 208 LIGHTING WIRING DIAGRAM

  1. Decoding Complexity: Navigating the Intricacies of 208 Lighting Wiring
  2. Blueprint Breakdown: Understanding the Schematic Structure
  3. The Power Play: Unveiling Voltage Dynamics in 208 Lighting Systems
  4. Connecting the Dots: A Close Look at Wiring Configurations
  5. Load Balancing Act: Optimizing Energy Efficiency in Lighting Networks
  6. Dimmer Dynamics: Exploring Control Mechanisms for Varied Illumination
  7. Strategic Installation Insights: From Panel to Fixture
  8. Safety First: Navigating Protocols for Secure Lighting Wiring
  9. Bridging Gaps: Troubleshooting Tips for Common Wiring Challenges
  10. Future Trends: Anticipating Innovations in 208 Lighting Systems

Several Facts that you should know about 208 LIGHTING WIRING DIAGRAM.

Introduction to 208 Lighting Wiring Diagram

Welcome to the world of electrical enlightenment as we embark on a journey to decipher the intricacies of the 208 lighting wiring diagram. This essential blueprint serves as the roadmap for illuminating spaces with precision and efficiency.

Introduction to 208 Lighting Wiring Diagram

Demystifying the Schematic Structure

At the core of the 208 lighting wiring diagram lies a complex yet systematic schematic structure. Each line and symbol carries a specific meaning, outlining the path of electrical currents that bring light to our surroundings.

Demystifying the Schematic Structure

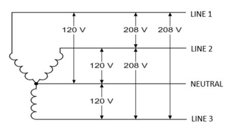
The Dynamics of Voltage in Lighting Systems

Understanding the voltage dynamics in a 208 lighting system is crucial for optimal performance. Explore the nuances of power distribution and the role voltage plays in creating a well-lit environment.

The Dynamics of Voltage in Lighting Systems

Configurations: Connecting the Dots

Navigate through the maze of wiring configurations that make up the 208 lighting system. From parallel to series setups, discover how these connections influence the overall functionality of the lighting network.

Configurations: Connecting the Dots

Efficiency Matters: Load Balancing in Lighting Networks

Optimizing energy efficiency is a key consideration in any lighting system. Delve into the concept of load balancing and how it ensures a harmonious distribution of power, minimizing wastage.

Efficiency Matters: Load Balancing in Lighting Networks

Dimmer Dynamics: Mastering Control Mechanisms

Explore the realm of dimmer dynamics and control mechanisms that allow for adjustable illumination. From manual switches to advanced smart controls, discover the tools that put lighting at your fingertips.

Dimmer Dynamics: Mastering Control Mechanisms

Strategic Installation Insights

From the electrical panel to individual fixtures, strategic installation is paramount. Gain insights into the step-by-step process of installing a 208 lighting system, ensuring a seamless connection from start to finish.

Strategic Installation Insights

Safety First: Navigating Protocols

Ensuring safety in electrical systems is non-negotiable. Delve into the protocols and guidelines that prioritize safety when working with the 208 lighting wiring diagram, creating an environment free from potential hazards.

Safety First: Navigating Protocols

Troubleshooting Tips for Common Challenges

Even with meticulous planning, challenges may arise. Arm yourself with troubleshooting tips to address common issues in 208 lighting wiring, ensuring a quick resolution and uninterrupted illumination.

Troubleshooting Tips for Common Challenges

Anticipating Future Trends in Lighting Systems

As technology evolves, so does the landscape of lighting systems. Explore the potential future trends in 208 lighting, from smart integration to sustainable practices, staying ahead in the world of illuminated innovation.

Anticipating Future Trends in Lighting Systems

The Intricate World of 208 Lighting Wiring Diagrams

Welcome to the fascinating realm of electrical illumination, where the 208 lighting wiring diagram serves as the unsung hero, orchestrating the dance of electrons to bring light into our lives. In this exploration, we'll unravel the complexities, demystify the jargon, and shed light on the intricacies that make up this essential blueprint.

The Blueprint Decoded

At first glance, the 208 lighting wiring diagram might seem like a cryptic language reserved for electricians and engineers. However, let's break down this blueprint into digestible components. Picture it as a treasure map guiding us through the circuits and connections that power our lighting systems.

The Blueprint Decoded

Think of the diagram as a visual representation of the electrical pathways within a lighting system. Each line, symbol, and notation plays a specific role in conveying information about how electricity flows from the power source to the luminous endpoints – our light fixtures.

Understanding Voltage Dynamics

Now, let's turn our attention to a critical aspect of any electrical system – voltage dynamics. The 208 lighting wiring diagram is not just about the physical layout; it's also about the energy that powers the lights. Voltage, measured in volts, is the driving force behind the brilliance we see in our spaces.

Understanding Voltage Dynamics

Imagine voltage as the heartbeat of the electrical system, pulsating through the wires and ensuring a consistent flow of energy. In the context of 208 lighting, understanding these dynamics is crucial for maintaining optimal performance and preventing any flickering or dimming issues.

Wiring Configurations: Connecting the Dots

With the basics in place, let's delve into the diverse world of wiring configurations. The 208 lighting wiring diagram offers a myriad of options, each influencing the overall functionality of the lighting network. It's like choosing the best route for traffic, ensuring a smooth and efficient flow of electricity.

Wiring Configurations: Connecting the Dots

From parallel setups to series connections, the diagram provides a visual guide on how fixtures are linked. Think of it as mapping out the most effective paths for electrons to travel, optimizing the system for brightness and reliability.

The Balancing Act: Energy Efficiency

Efficiency matters, especially in a world that increasingly values sustainability. Enter the concept of load balancing in lighting networks. The 208 lighting wiring diagram introduces us to a balancing act where the distribution of electrical load is optimized, minimizing energy wastage.

The Balancing Act: Energy Efficiency

Consider load balancing as the conductor orchestrating the symphony of electricity, ensuring that no fixture receives too much or too little power. This not only enhances the lifespan of bulbs and fixtures but also contributes to a greener and more sustainable lighting solution.

Dimmer Dynamics: Mastering Control

Now, let's shift our focus to the realm of control mechanisms, where the 208 lighting wiring diagram truly showcases its versatility. Dimmer switches, a popular feature in modern lighting, allow us to adjust the intensity of illumination, creating ambiance and mood.

Dimmer Dynamics: Mastering Control

Imagine having the power to set the mood with a simple twist of a knob or tap on a smart device. The diagram provides insights into how dimmers are integrated into the system, offering a dynamic way to interact with our lighting environment. It's like having a volume control for the visual experience in our spaces.

Strategic Installation Insights

Transitioning from theory to practice, let's explore the strategic installation insights embedded within the 208 lighting wiring diagram. From the electrical panel to individual fixtures, every step is a carefully choreographed dance that ensures a seamless connection.

Strategic Installation Insights

Think of the installation process as a roadmap, guiding electricians through the intricacies of connecting wires and fixtures. The diagram acts as a visual aid, helping professionals ensure that each component is in its rightful place, guaranteeing a reliable and durable lighting system.

Safety First: Navigating Protocols

Amid the brilliance of lights and the hum of electricity, safety remains a paramount concern. The 208 lighting wiring diagram not only provides guidance on functionality but also serves as a reference for navigating safety protocols.

Safety First: Navigating Protocols

Consider the diagram as a safety manual, outlining the dos and don'ts when working with electrical systems. It's a guide that ensures professionals adhere to industry standards, minimizing the risk of electrical hazards during installation and maintenance.

Troubleshooting Tips for Common Challenges

Even with meticulous planning, challenges may arise. The 208 lighting wiring diagram becomes a valuable tool when it comes to troubleshooting common issues. From flickering lights to sudden outages, the diagram serves as a diagnostic map for electricians.

Troubleshooting Tips for Common Challenges

Think of troubleshooting as detective work, where the diagram acts as a clue-filled dossier. By following the paths and connections outlined in the diagram, professionals can identify and resolve issues swiftly, ensuring minimal disruption to the lighting system.

Anticipating Future Trends in Lighting Systems

As we conclude our journey through the 208 lighting wiring diagram, let's cast our gaze toward the future. The diagram not only reflects current technology but also hints at potential trends shaping the landscape of lighting systems.

Another point of view about 208 LIGHTING WIRING DIAGRAM.

1. In the intricate world of electrical systems, the 208 lighting wiring diagram emerges as the unsung hero, guiding the flow of energy and illuminating spaces with precision.This essential blueprint acts as a visual translator, decoding the language of circuits and providing a roadmap for electricians and enthusiasts alike.Imagine the diagram as a treasure map, revealing the pathways of electrons and the strategic connections that bring light to our homes, offices, and public spaces.Voltage dynamics play a pivotal role, pulsating through the wires like a heartbeat, ensuring a consistent and reliable source of power for our lighting systems.Wiring configurations, depicted with clarity in the diagram, offer a diverse array of options, influencing the overall functionality of the lighting network.Load balancing, a key concept highlighted by the diagram, becomes the conductor orchestrating the symphony of electricity, optimizing energy efficiency and sustainability.Dimmer dynamics introduce a level of control and customization, allowing users to set the mood and ambiance with a simple adjustment, all intricately mapped out in the diagram.Strategic installation insights transform theory into practice, guiding professionals through the meticulous process of connecting wires and fixtures seamlessly.Safety protocols, navigated with the help of the diagram, ensure that electrical installations adhere to industry standards, prioritizing the well-being of both users and technicians.The 208 lighting wiring diagram is not just a static guide but a dynamic tool for troubleshooting, providing electricians with a diagnostic map to swiftly address and resolve common issues.

Conclusion : Illuminate with Precision: Unveiling the 208 Lighting Wiring Blueprint!.

And there you have it, dear readers – the 208 lighting wiring diagram unveiled and demystified! Now that we've taken this enlightening journey through the intricacies of electrical brilliance, it's time to bid adieu with a spark of humor.

So, as you embark on your newfound wisdom about the 208 lighting wiring diagram, remember that understanding the language of circuits is a bit like deciphering the secret code of lighting wizards. Armed with this knowledge, you're now equipped to impress your friends at dinner parties with dazzling tales of voltage dynamics and dimmer switch sorcery. May your spaces be forever brilliantly lit, and may your future encounters with wiring diagrams be as illuminating as a well-lit room!

Question and answer Illuminate with Precision: Unveiling the 208 Lighting Wiring Blueprint!

Questions & Answer :

People Also Ask about the 208 Lighting Wiring Diagram:

  • 1. What is the significance of the 208 lighting wiring diagram?

    Understanding the 208 lighting wiring diagram is crucial as it serves as the guiding blueprint for electrical systems, ensuring precise and efficient illumination in various spaces.

  • 2. How does voltage dynamics impact lighting systems?

    Voltage dynamics, represented in the diagram, act as the heartbeat of lighting systems, ensuring a consistent and reliable flow of energy to power our lights effectively.

  • 3. What role do wiring configurations play in the diagram?

    Wiring configurations, illustrated with clarity, offer diverse options that influence the overall functionality of the lighting network, allowing for customization and optimization.

  • 4. Can you explain the concept of load balancing in simple terms?

    Load balancing, depicted in the 208 lighting wiring diagram, is like the conductor of an orchestra, ensuring an even distribution of electrical load, minimizing energy wastage, and enhancing efficiency.

  • 5. How do dimmer dynamics contribute to lighting control?

    Dimmer dynamics, outlined in the diagram, provide users with control over the intensity of illumination, allowing for a personalized and mood-enhancing lighting experience.

  • 6. Are there any safety considerations highlighted in the diagram?

    Absolutely! The diagram serves as a safety guide, outlining protocols and ensuring professionals adhere to industry standards, prioritizing the well-being of users and technicians.

  • 7. What insights does the diagram offer regarding strategic installation?

    Strategic installation insights within the 208 lighting wiring diagram guide professionals through a meticulous process, ensuring a seamless connection from the electrical panel to individual fixtures.

  • 8. How can the diagram assist in troubleshooting common issues?

    The 208 lighting wiring diagram serves as a valuable tool for troubleshooting, providing electricians with a diagnostic map to swiftly address and resolve common issues, ensuring uninterrupted lighting systems.

Understanding the 208 lighting wiring diagram is not just about deciphering technicalities; it's about empowering individuals to navigate the intricacies of electrical systems with confidence and ease.

Keywords : 208 LIGHTING WIRING DIAGRAM

0 komentar