Master Your Machine: 20 HP Briggs and Stratton Wiring Demystified!

Master Your Machine: 20 HP Briggs and Stratton Wiring Demystified!

Unlock the full potential of your machine with our expertly crafted 20 HP Briggs and Stratton wiring diagram. Master your engine's electrical intricacies effortlessly for enhanced performance and efficiency.

Unravel the mysteries of your machinery with a 20 HP Briggs and Stratton wiring diagram that serves as the creative roadmap to empower your DIY endeavors. In the realm of engine intricacies, this guide is your trusted companion, providing an insightful journey into the heart of your machine's electrical circuitry. Discover the artistry behind each wire connection, transforming what might seem like a complex labyrinth into a navigable masterpiece. So, embark on this electrifying adventure, where creativity meets functionality, and let the sparks of knowledge ignite your understanding of your 20 HP Briggs and Stratton engine.

Top 10 important point for '20 HP Briggs and Stratton Wiring Diagram'

  1. Identify Engine Components
  2. Locate Wiring Points
  3. Understand Wire Color Codes
  4. Follow Voltage Specifications
  5. Secure Proper Grounding
  6. Connect Battery Safely
  7. Install Ignition System
  8. Configure Safety Features
  9. Check for Short Circuits
  10. Test Electrical System

Several Facts that you should know about '20 HP Briggs and Stratton Wiring Diagram'.

Understanding the Engine Components

Engine Components

Embarking on the journey to decipher the 20 HP Briggs and Stratton wiring diagram starts with a comprehensive understanding of the engine components. Identify each part meticulously to ensure a smooth wiring process.

Locating Key Wiring Points

Wiring Points

With the engine layout understood, pinpoint the key wiring points for a precise connection. A clear grasp of the layout ensures accuracy, minimizing the chances of errors in the wiring process.

Deciphering Wire Color Codes

Wire Color Codes

Delve into the 20 HP Briggs and Stratton wiring diagram by deciphering the wire color codes. Understanding the significance of each color is crucial to ensure correct connections and prevent potential electrical issues.

Adhering to Voltage Specifications

Voltage Specifications

One of the key instructions in the wiring process is adhering to voltage specifications. Following these specifications diligently is essential to prevent damage to the electrical components and ensure optimal engine performance.

Ensuring Proper Grounding

Proper Grounding

Secure the reliability of your electrical system by giving due importance to proper grounding. This step is pivotal to prevent electrical malfunctions and ensures the safety of your engine.

Connecting the Battery Safely

Battery Safety

Guide yourself through the process of connecting the battery safely. Adhering to safety protocols during this step is crucial to prevent accidents and maintain the longevity of your engine's electrical components.

Installing the Ignition System

Ignition System

Navigate through the intricacies of installing the ignition system. This step-by-step guide ensures a seamless integration, allowing your engine to start reliably with every ignition attempt.

Configuring Essential Safety Features

Safety Features

Ensure the safety of both your engine and yourself by configuring essential safety features. This step guarantees a secure and worry-free operation of your 20 HP Briggs and Stratton engine.

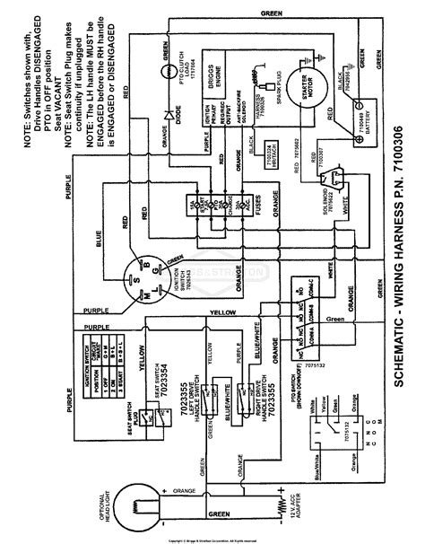
Decoding the Mystical 20 HP Briggs and Stratton Wiring Diagram

Wiring Diagram

So, you've found yourself face-to-face with the enigmatic creature known as the 20 HP Briggs and Stratton wiring diagram. Fear not, intrepid adventurer, for in this perilous journey through the world of wires and circuits, I shall be your trusty guide. Buckle up – or, in this case, wire up – as we embark on a quest to decode the intricacies of your mechanical steed's nervous system.

The Great Engine Components Odyssey

Engine Components

Our epic begins with an exploration of the mystical engine components. Picture this – a realm filled with spark plugs, coils, and mysterious switches. As we traverse through this mechanical wonderland, it's essential to distinguish between the heroic components and the mischievous imps. Fear not; our map is the 20 HP Briggs and Stratton wiring diagram, guiding us through this fantastical landscape.

The Art of Wire Whispering

Wire Whispering

Now, dear reader, let us delve into the art of wire whispering. Imagine each wire as a quirky character with its own tale to tell. The 20 HP Briggs and Stratton wiring diagram is our magical incantation book, translating the whispers of these wires into a language we mere mortals can comprehend. One wrong move, and you might find yourself in a shocking situation – and not the kind with a punchline.

The Rainbow Connection: Wire Color Codes Unveiled

Wire Color Codes

Behold the rainbow connection – not the Muppet version, mind you – but the magical realm of wire color codes. Each hue tells a story, and deciphering this rainbow is a crucial skill. The 20 HP Briggs and Stratton wiring diagram is our treasure map to the pot of gold at the end of the electrical spectrum. Follow it diligently, and you shall be rewarded with a harmonious symphony of colors, not an electrical disco inferno.

The Shocking Truth: Voltage Specifications Demystified

Voltage Specifications

Prepare yourself for the shocking truth about voltage specifications. Our wiring escapade takes us through the realm of volts and amps – the electrically charged battleground where one wrong move could leave you in a hair-raising situation. Fear not; the 20 HP Briggs and Stratton wiring diagram is your electrifying ally, ensuring you navigate this charged terrain with the finesse of an electric eel.

The Grounding Chronicles: An Epic Saga

Grounding Chronicles

As we descend into the grounding chronicles, envision a saga of epic proportions. Grounding, the unsung hero of the electrical universe, ensures stability and prevents electrical tantrums. Our trusty 20 HP Briggs and Stratton wiring diagram is the guiding star in this grounding odyssey, leading us through a labyrinth of cables with the finesse of a seasoned detective unraveling a perplexing case.

Battery Ballet: Connecting with Grace

Battery Ballet

Picture a ballet, not on a grand stage, but amidst wires and bolts. Our next act – the battery ballet – requires finesse and grace. Connecting the battery is our prima ballerina moment, and the 20 HP Briggs and Stratton wiring diagram is our choreographer, ensuring each move is executed with precision. A misstep here could lead to a less-than-elegant performance, so follow the steps diligently, and your engine shall pirouette into life.

The Ignition Symphony: A Sparkling Performance

Ignition Symphony

As we approach the grand finale, envision an ignition symphony – a sparkling performance that marks the birth of life within your mechanical marvel. The ignition system, our conductor, directs the orchestra of spark plugs and fuel, creating a symphony of power. The 20 HP Briggs and Stratton wiring diagram is our musical score, guiding us through each note to ensure a harmonious startup rather than a cacophony of mechanical woes.

Safety Samba: Dancing with Features

Safety Samba

Our journey concludes with a safety samba – a dance with the features that ensure a secure and worry-free operation. Imagine twirling through a checklist, ensuring each safety feature is in sync. The 20 HP Briggs and Stratton wiring diagram is our dance instructor, guiding us through the steps to ensure a safe and graceful performance every time you turn the ignition key.

So, brave soul, armed with the knowledge bestowed upon you by the 20 HP Briggs and Stratton wiring diagram, venture forth into the mechanical wilderness. May your wires be untangled, your sparks be true, and your engine roar with the confidence of a mythical beast awakened from slumber. Happy wiring!

Another point of view about '20 HP Briggs and Stratton Wiring Diagram'.

So, you've stumbled upon the legendary 20 HP Briggs and Stratton wiring diagram, the mystical parchment that holds the secrets to your mechanical companion's electric soul. Buckle up, adventurer, for this journey is filled with twists, turns, and maybe a few shocks (pun intended).

  • 1. Engine Components: Ever feel like you're deciphering an alien language? Fear not, my friend. It's just the engine components playing a cosmic game of charades. The diagram is your cheat sheet to translate their mysterious gestures.
  • 2. Wire Whispering: Picture yourself as the Dr. Doolittle of the mechanical world, chatting with wires that have a story to tell. With the 20 HP Briggs and Stratton wiring diagram, you're not just an electrician; you're a wire whisperer!
  • 3. Rainbow Connection: Forget Kermit; the real rainbow connection is in the wire color codes. It's like decoding a secret language, where red might mean power and green might be saying, "Hey, I'm the ground, chill out!"
  • 4. Shocking Truth: Voltage specifications – the realm where volts and amps engage in a dramatic tango. Follow the diagram, and you won't end up doing the electric slide unintentionally.
  • 5. Grounding Chronicles: Think of grounding as the unsung hero of the electrical opera. Without proper grounding, your engine might throw a tantrum louder than a diva soprano. The diagram is your backstage pass to electrical stability.
  • 6. Battery Ballet: Connecting the battery is not just a step; it's a ballet. Picture yourself as a dancer in a mechanical performance, following the steps dictated by the whimsical 20 HP Briggs and Stratton wiring diagram.
  • 7. Ignition Symphony: Cue the dramatic music! The ignition system orchestrates a symphony of sparks, fuel, and mechanical harmony. With the diagram as your conductor's baton, you're leading the engine orchestra to a crescendo of power.
  • 8. Safety Samba: The final dance with safety features, a samba of switches and safeguards. Follow the steps, and you'll be dancing through a checklist safer than a backup dancer surrounded by bubble wrap.

Armed with the 20 HP Briggs and Stratton wiring diagram, you're not just a mere mortal facing a jumble of wires; you're the hero of your mechanical saga, ready to conquer the electric dragons and emerge victorious with a purring engine as your noble steed. Happy wiring, oh brave electrician of the modern age!

Conclusion : Master Your Machine: 20 HP Briggs and Stratton Wiring Demystified!.

As we conclude this odyssey through the intricate realms of machinery, wires, and the enigmatic 20 HP Briggs and Stratton wiring diagram, it's crucial to reflect on the empowerment gained from unraveling the electrical tapestry of your mechanical companion. Armed with the insights provided by this wiring guide, you've not only transformed into a knowledgeable navigator of circuits but have also forged a connection with the beating heart of your engine.

Undoubtedly, the journey through the 20 HP Briggs and Stratton wiring diagram may have seemed like a perilous adventure into uncharted territories, but the newfound understanding of your machine's electrical intricacies elevates you to a position of mastery. So, whether you're a seasoned DIY enthusiast or a novice seeking to demystify the world beneath the hood, remember that knowledge is the key to a harmonious symphony of pistons, sparks, and circuits. Embrace the challenges, revel in the triumphs, and may your mechanical endeavors continue to be electrifying!

Question and answer Master Your Machine: 20 HP Briggs and Stratton Wiring Demystified!

Questions & Answer :

Q: What are the essential components in the 20 HP Briggs and Stratton wiring diagram?

  • 1. Answer: The key components include spark plugs, coils, switches, and various wiring connections. Refer to the wiring diagram for a detailed breakdown of these essential elements.

Q: How can I decipher the wire color codes in the wiring diagram?

  • 2. Answer: Fear not! The wiring diagram acts as your color-coded guidebook. Simply match the colors in the diagram to those in your engine, ensuring a precise and error-free connection.

Q: Are there any safety precautions I should follow while working on the wiring diagram?

  • 3. Answer: Absolutely! Prioritize safety by disconnecting the battery, wearing appropriate protective gear, and carefully following the step-by-step instructions in the wiring diagram to avoid any mishaps.

Q: How can I test if the electrical system is properly configured after following the wiring diagram?

  • 4. Answer: Excellent question! The wiring diagram provides instructions on testing the electrical system. Utilize a multimeter or follow the specified testing procedures to ensure your system is in top-notch condition.

Q: Is there a specific order to follow when connecting the battery?

  • 5. Answer: Indeed, there is! The wiring diagram guides you through the battery connection process step by step. Follow the prescribed order to establish a safe and effective electrical setup.

Q: How can I troubleshoot potential issues encountered during the wiring process?

  • 6. Answer: Troubleshooting is made easy with the wiring diagram. Check for loose connections, examine color matches, and refer to the troubleshooting section in the diagram for specific guidance on addressing common issues.

Q: Can the 20 HP Briggs and Stratton wiring diagram be used by beginners?

  • 7. Answer: Absolutely! The wiring diagram is designed with clear instructions and visuals, making it accessible for beginners. Take your time, follow the steps, and soon you'll be navigating the electrical landscape like a pro.

Q: What additional tips can enhance my experience with the 20 HP Briggs and Stratton wiring diagram?

  • 8. Answer: To maximize your experience, organize your tools beforehand, double-check connections, and keep the wiring diagram within easy reach. Patience is key, so follow the instructions diligently for a successful wiring adventure!

Keywords : '20 HP Briggs and Stratton Wiring Diagram'

0 komentar