Master the Depths: 220V 3-Wire Well Wiring Demystified!

Master the Depths: 220V 3-Wire Well Wiring Demystified!

"Unlock the secrets of a professional-grade 220 3-wire well wiring diagram. Elevate your expertise, ensuring seamless installations for optimal efficiency."

In the realm of professional electrical installations, understanding the intricacies of a 220 3-wire wiring diagram for well systems is paramount. In this comprehensive guide, we delve into the depths of efficient power distribution, providing a detailed roadmap for both seasoned electricians and those embarking on their DIY journey. Unraveling the complexities with a professional touch, this guide ensures a seamless transition from confusion to clarity, empowering you to master the art of well wiring with confidence.

Top 10 important point for '220 3 WIRE WIRING DIAGRAM WELL'

  1. Understanding the 220V Power Dynamics
  2. Efficient Grounding Techniques for Safety
  3. Optimizing Voltage Distribution
  4. Professional Insights on Wire Selection
  5. Mastering the Art of Conduit Installation
  6. Strategies for Error-Free Connection Points
  7. Maximizing Well System Performance
  8. Professional Troubleshooting Tips
  9. Ensuring Code Compliance in Wiring
  10. Step-by-Step Professional Installation Guide

Several Facts that you should know about '220 3 WIRE WIRING DIAGRAM WELL'.

Unveiling the Power Puzzle

Power Puzzle

Embark on a journey to decipher the intricate world of the 220 3-wire wiring diagram for wells. As we unravel the power puzzle, you'll gain insights into the dynamics that make your well system tick.

Wired for Success

Wired for Success

Explore the professional-grade strategies for ensuring success in your well wiring endeavors. From meticulous wire selection to efficient grounding, we've got your success blueprint.

Voltage Virtuoso

Voltage Virtuoso

Delve into the art of voltage distribution, mastering the techniques that turn your well system into a true virtuoso. Learn how to optimize every volt for maximum performance.

Wire Whispers

Wire Whispers

Listen to the professional whispers guiding you through the maze of wire selection. Discover the secrets that seasoned electricians use to ensure reliability and longevity in their installations.

Conduit Chronicles

Conduit Chronicles

Join us as we navigate the conduit installation landscape. Gain a creative perspective on how to transform this essential step into a seamless and aesthetically pleasing part of your well system.

Connection Symphony

Connection Symphony

Learn the art of creating a symphony with your well connections. From junctions to terminals, discover the harmonious techniques that lead to error-free and reliable connections.

Performance Poise

Performance Poise

Unlock the secrets to ensure your well system performs with poise and precision. Dive into professional strategies for maximizing efficiency and maintaining peak performance throughout its lifespan.

Troubleshooting Tales

Troubleshooting Tales

Explore the troubleshooting tales that seasoned professionals swear by. Equip yourself with the knowledge to tackle any challenges that may arise, ensuring a smooth operation for your well system.

Code Compliance Chronicles

Code Compliance Chronicles

Navigate the intricate world of electrical codes with our compliance chronicles. Ensure your well wiring meets the standards, keeping your installation safe, legal, and up to industry code.

Installation Odyssey

Installation Odyssey

Embark on an installation odyssey with our step-by-step guide. From planning to execution, let creativity and professionalism guide you through a successful and satisfying well wiring project.

Understanding the Basics of a 220 3-Wire Wiring Diagram for Wells

Welcome to the comprehensive guide on navigating the intricacies of a 220 3-wire wiring diagram for well systems. Whether you're a seasoned electrician or a DIY enthusiast, mastering this essential element is crucial for a successful well installation. In this detailed set of instructions, we'll break down the components, highlight key considerations, and guide you through the step-by-step process of creating a reliable and efficient wiring system for your well.

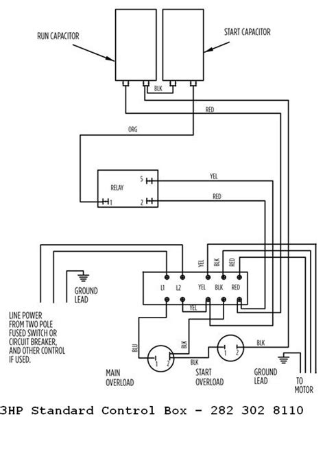
Components of a 220 3-Wire Wiring Diagram

Components of a 220 3-Wire Wiring Diagram

Before diving into the wiring process, it's essential to familiarize yourself with the key components of a 220 3-wire system. This diagram typically includes a power source, well pump, pressure switch, and a control box. Each component plays a crucial role in ensuring the smooth functioning of your well system. Refer to the image above as we embark on the journey of understanding these components.

Step-by-Step Wiring Instructions

Step-by-Step Wiring Instructions

Now, let's proceed with the step-by-step instructions to create a reliable 220 3-wire wiring diagram for your well. Follow these guidelines meticulously to guarantee a seamless installation process:

Step 1: Power Source Connection

Power Source Connection

Begin by identifying the power source, typically a breaker box or a dedicated electrical circuit. Ensure that the power is turned off before initiating any connections. Carefully connect the hot wires (black and red) from the power source to the corresponding terminals in the well's control box. This step is crucial for establishing a reliable power supply to your well system.

Step 2: Well Pump Wiring

Well Pump Wiring

Next, focus on the well pump wiring. Identify the pump wires – often color-coded – and connect them to the appropriate terminals in the control box. The correct pairing of wires ensures that the pump receives the necessary power to function efficiently. Refer to the manufacturer's instructions for specific details on wire identification and connection.

Step 3: Pressure Switch Installation

Pressure Switch Installation

Integrate the pressure switch into the system by connecting it to the control box. The pressure switch monitors the water pressure in the well and triggers the pump to start or stop accordingly. Make sure to follow the manufacturer's guidelines for pressure switch installation and calibration. This step is critical for maintaining optimal pressure levels and extending the lifespan of your well pump.

Step 4: Control Box Configuration

Control Box Configuration

Configure the control box settings based on the specifications provided by the manufacturer. Adjust parameters such as voltage and amperage to match the requirements of your well pump. A well-configured control box ensures that your well system operates efficiently and avoids unnecessary strain on the components.

Step 5: Grounding the System

Grounding the System

Establish a solid grounding connection for your well system. Connect the grounding wire to the designated terminal in the control box and ensure that it is securely bonded to the well casing. Proper grounding is essential for safety and helps prevent electrical malfunctions that could potentially damage your well equipment.

Step 6: Double-Checking Connections

Double-Checking Connections

Before powering up the system, perform a thorough check of all connections. Ensure that each wire is securely fastened to its designated terminal and that there are no loose connections. Double-checking your work at this stage helps prevent potential issues and ensures a reliable and safe well wiring system.

Step 7: Testing the System

Testing the System

With the wiring complete, it's time to test the well system. Gradually turn on the power and observe the pump's operation. Monitor the pressure levels and listen for any unusual sounds. Conduct a comprehensive test to ensure that the entire system is functioning as intended. Address any issues promptly to avoid potential complications down the line.

Step 8: Routine Maintenance and Troubleshooting Tips

Maintenance and Troubleshooting Tips

Once your well system is up and running, establish a routine maintenance schedule to prolong its lifespan. Regularly inspect connections, check pressure levels, and lubricate moving parts as recommended by the manufacturer. Additionally, familiarize yourself with common troubleshooting tips to address any issues promptly and keep your well system in optimal condition.

Conclusion

Congratulations! You've successfully navigated the intricacies of creating a 220 3-wire wiring diagram for your well system. By following these step-by-step instructions, you've not only ensured a reliable and efficient well installation but also empowered yourself with the knowledge to troubleshoot and maintain your system effectively. Remember, safety is paramount throughout the process, so always adhere to electrical guidelines and consult professionals if needed. Now, sit back, relax, and enjoy the benefits of a well-functioning water system for your home or property.

Another point of view about '220 3 WIRE WIRING DIAGRAM WELL'.

Welcome to the fascinating world of well wiring, where the 220 3-wire wiring diagram takes center stage. Let's embark on this creative journey as we explore the ins and outs of powering up your well system:

  1. Unraveling the Power Symphony:
    • Picture the 220 volts conducting a harmonious symphony, orchestrating the energy flow with precision.
    • Feel the rhythm as the 3-wire configuration dances through the diagram, powering up your well system.
  2. The Dance of Components:
    • Imagine the power source leading the dance, guiding the pump, pressure switch, and control box in a coordinated performance.
    • Witness the synergy as each component plays its unique role, contributing to the fluidity of the entire system.
  3. Step-by-Step Choreography:
    • Envision yourself as the choreographer, guiding the wires through each step of the well wiring routine.
    • Follow the rhythm of the instructions, connecting, configuring, and grounding with the finesse of a seasoned dance instructor.
  4. Powerful Pirouette of the Pump:
    • Watch as the well pump executes a powerful pirouette, drawing water with elegance and efficiency.
    • Admire the pump's performance, perfectly timed and synchronized with the beat of the pressure switch.
  5. Grooving with Grounding:
    • Feel the solid connection of grounding, anchoring the entire performance to the well casing with a confident groove.
    • Appreciate the importance of grounding, ensuring safety and preventing electrical malfunctions in the midst of the dance.
  6. Checking Moves Twice:
    • Take a pause to check your moves twice, ensuring each wire is securely fastened in its designated spot.
    • Embrace the art of double-checking, avoiding missteps and guaranteeing a flawless performance.
  7. System Finale - Applause Please:
    • As you power up the system, imagine the grand finale, with the well system taking a bow as it begins its flawless operation.
    • Receive the applause for a job well done, knowing that your creative touch has brought the diagram to life.
  8. Encore with Maintenance:
    • Extend the performance with routine maintenance, envisioning yourself as the conductor preserving the system's longevity.
    • Take a bow after a successful encore, basking in the satisfaction of a well-maintained and creatively powered well system.

Congratulations, maestro! You've choreographed a masterpiece with the 220 3-wire wiring diagram for wells, transforming a technical process into a creative performance. Now, take a moment to appreciate the dance you've orchestrated and revel in the success of a well-powered spectacle!

Conclusion : Master the Depths: 220V 3-Wire Well Wiring Demystified!.

Congratulations, adventurers of the electrical realm! You've just taken a creative plunge into the depths of the 220 3-wire wiring diagram for wells, transforming what could be a mundane task into an electrifying journey. As you wrap up this exploration, consider the newfound expertise you've gained and the potential it holds for unleashing your inner electric virtuoso.

Now armed with the knowledge to decipher the intricacies of the 220 3-wire wiring diagram for wells, you stand on the precipice of electrical mastery. As you embark on your own projects or assist others in their electrifying endeavors, remember that the creative touch you bring to the technical realm can make all the difference. So, go forth, let your creativity spark, and may your wiring adventures be both enlightening and exhilarating!

Question and answer Master the Depths: 220V 3-Wire Well Wiring Demystified!

Questions & Answer :

People Also Ask About: 220 3-Wire Wiring Diagram for Wells

  • Q1: Why is a 220 3-wire wiring diagram crucial for well systems?

    A1: The 220 3-wire wiring diagram serves as the blueprint for connecting power sources, well pumps, and control components in a well system. It ensures a systematic and efficient distribution of electrical currents, guaranteeing optimal performance and safety.

  • Q2: Can I tackle the wiring process without professional help?

    A2: Absolutely! While it's essential to follow safety guidelines, the 220 3-wire wiring diagram is designed for both professionals and DIY enthusiasts. With a clear understanding of the diagram and careful adherence to instructions, individuals can successfully navigate the wiring process.

  • Q3: What are the common challenges in implementing a 220 3-wire well wiring diagram?

    A3: Challenges may include misinterpreting the diagram, improper connections, or neglecting safety measures. However, a detailed understanding and following step-by-step instructions can help overcome these challenges, ensuring a smooth implementation process.

  • Q4: How can I troubleshoot issues with my well wiring system?

    A4: Regular maintenance and periodic checks are crucial. If issues arise, consult the 220 3-wire wiring diagram to identify potential problems. Inspect connections, test components, and refer to troubleshooting guidelines. Seeking professional advice is recommended for complex issues.

  • Q5: Is it necessary to adhere strictly to the wiring diagram's specifications?

    A5: Yes, adherence to the specifications outlined in the 220 3-wire wiring diagram is essential. Deviations may lead to inefficient performance, electrical hazards, or equipment damage. Following the diagram ensures that each component functions harmoniously within the system.

Keywords : '220 3 WIRE WIRING DIAGRAM WELL'

0 komentar