Bright Ideas Unveiled: Mastering the 208V Lighting Wiring Diagram

Bright Ideas Unveiled: Mastering the 208V Lighting Wiring Diagram

"Uncover the art of 208V lighting wiring diagrams with expert insights. Elevate your professional skills for precise and efficient installations."

In the realm of professional electrical installations, unlocking the secrets of a 208V lighting wiring diagram is a journey towards brilliance. Amidst the intricacies of modern lighting systems, understanding the nuances of a 208V setup empowers professionals with the knowledge needed to illuminate spaces with precision and efficiency. This comprehensive guide not only demystifies the complexities of the 208V configuration but also highlights the crucial steps in ensuring a seamless and professional installation. Join us as we delve into the realm where expertise meets enlightenment, shedding light on the essential aspects of 208V lighting wiring diagrams with a focus on a professional approach.

Top 10 important point for 208V LIGHTING WIRING DIAGRAM

  1. Verify Power Source: Ensure a stable 208V power supply.
  2. Safety First: Follow industry standards for electrical safety.
  3. Identify Fixture Locations: Plan optimal placement for lighting.
  4. Select Appropriate Wiring: Choose wires compatible with 208V systems.
  5. Color Coding Matters: Understand and adhere to color-coding conventions.
  6. Grounding Essentials: Implement proper grounding for safety.
  7. Connect Fixtures to Wiring: Skillfully link fixtures to the designated wiring.
  8. Utilize Junction Boxes: Employ junction boxes for organized connections.
  9. Test Circuits: Verify circuit integrity before finalizing connections.
  10. Documentation: Keep detailed records of the wiring layout for future reference.

Several Facts that you should know about 208V LIGHTING WIRING DIAGRAM.
Understanding the Basics

Powering Up with 208V

Powering Up with 208V

Welcome to the illuminating world of 208V lighting wiring diagrams! First things first – let's shed some light on the basics. When we talk about 208V, we're delving into a power configuration that can significantly enhance your lighting setup. Think of it as the powerhouse behind a brilliantly lit space.

Safety Dance: Precautions Matter

The Safety Tango

The Safety Tango

Now, before we embark on this enlightening journey, let's dance the Safety Tango. Safety is paramount when dealing with electrical systems. Always adhere to industry standards, gear up with the right protective equipment, and ensure a safe environment before diving into the intricacies of the wiring diagram.

Mapping Your Light Plan

Fixtures in Focus

Fixtures in Focus

Time to map out your bright ideas! Identify the prime locations for your fixtures. Whether it's a cozy home or a professional workspace, understanding where your lights will shine brightest is the key to a successful 208V lighting setup.

Connecting the Dots – Wiring Essentials

Wiring Wonders

Wiring Wonders

Let's talk wires! Selecting the right wiring for your 208V system is crucial. Opt for wires compatible with the power requirements, and don't forget to pay attention to color coding. These colorful clues are your guide to a seamless wiring experience.

Grounding for a Solid Foundation

Grounding 101

Grounding 101

Time to ground ourselves – and our wiring! Proper grounding is not just an electrical rule; it's the foundation of a safe and reliable lighting system. Learn the essentials of grounding to ensure your lights shine without any shocking surprises.

Linking Fixtures Like a Pro

Fixture Fusion

Fixture Fusion

Ready to connect the dots? Master the art of linking fixtures to the designated wiring. This step is where your 208V lighting system starts to take shape. Skillfully bring together fixtures and wiring for a harmonious illumination symphony.

Junction Boxes: Your Wiring Command Center

Junction Box Jamboree

Junction Box Jamboree

Enter the junction box – your wiring command center! Use these handy boxes to organize and streamline your connections. Think of it as the nerve center of your lighting setup, keeping everything neat, tidy, and, most importantly, efficient.

Lighting Checks for a Glowing Finish

Circuit Spotlight

Circuit Spotlight

Before the grand reveal, let's shine the spotlight on circuit testing. Verify the integrity of your circuits to ensure a flawless lighting experience. This crucial step ensures that your lights will glow without a glitch when the switch is flipped.

Documentation: A Bright Idea

Record and Reflect

Record and Reflect

As we wrap up our enlightening journey, don't forget the importance of documentation. Keep detailed records of your wiring layout. This not only serves as a reference for future adjustments but also as a testament to your mastery of the 208V lighting wiring diagram.

Embark on this electrifying adventure, and soon you'll be navigating the world of 208V lighting wiring diagrams like a seasoned professional. Illuminate with confidence!

The Complexity of 208V Lighting Wiring Diagrams

In the realm of electrical systems, the intricacies of 208V lighting wiring diagrams pose both challenges and opportunities for professionals in the field. Understanding the complexities involved in this specific configuration is essential for ensuring optimal performance and safety in lighting setups. This academic exploration delves into the various aspects of 208V lighting wiring diagrams, shedding light on the technical nuances and best practices associated with this power configuration.

The Fundamentals of 208V Power

Fundamentals of 208V Power

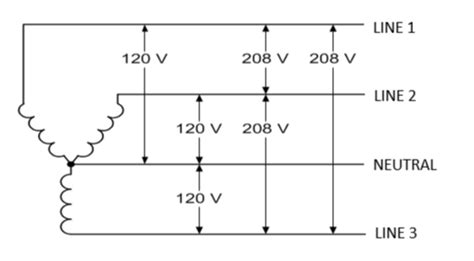
208V power represents a specific voltage configuration commonly used in electrical systems, particularly in commercial and industrial settings. This voltage level is achieved by utilizing a three-phase power supply. It is imperative to comprehend the fundamental principles of 208V power before delving into the intricacies of lighting wiring diagrams. This power level is notably lower than the more conventional 240V configuration but offers its own set of advantages and challenges.

Components and Connections

Components and Connections

Wiring Components

The heart of any 208V lighting wiring diagram lies in its components. Wiring plays a pivotal role in transmitting electrical energy from the power source to the lighting fixtures. In this configuration, a meticulous selection of wiring components is paramount. Copper conductors, insulating materials, and connectors must align with the specifications of a 208V system to ensure efficiency and safety. Understanding the properties and limitations of these components is foundational to constructing a robust wiring diagram.

Connectivity Challenges

One of the primary challenges in 208V lighting wiring diagrams lies in achieving seamless connectivity. The lower voltage level necessitates careful consideration of the arrangement and interconnection of fixtures. Professionals must navigate the intricacies of parallel and series connections to optimize the distribution of power across the lighting network. This connectivity challenge underscores the importance of precision and expertise in the design and implementation of 208V lighting systems.

Color Coding Conventions

Color Coding Conventions

Color coding serves as a universal language in electrical systems, and 208V lighting wiring diagrams are no exception. Proper color coding is crucial for identifying the function and phase of each wire in the system. This convention aids in troubleshooting, maintenance, and overall system comprehension. The academic understanding of color coding nuances in 208V configurations is imperative for professionals to navigate the intricacies of wiring diagrams effectively.

Grounding: Ensuring Electrical Safety

Grounding Ensuring Electrical Safety

Grounding stands as the bedrock of electrical safety in any wiring system, and 208V lighting wiring diagrams demand meticulous attention to grounding principles. The lower voltage does not diminish the importance of grounding; rather, it accentuates the need for a comprehensive grounding strategy. Professionals must deploy grounding techniques that align with industry standards to mitigate the risks of electrical faults and ensure a secure operating environment.

Fixture Integration

Fixture Integration

Strategic Fixture Placement

The placement of lighting fixtures is a critical consideration in 208V systems. Strategic positioning ensures optimal illumination, taking into account factors such as room layout, intended use, and aesthetic considerations. Professionals must employ a thoughtful approach to fixture integration, aligning with the intricacies of the 208V lighting wiring diagram to achieve a harmonious and effective lighting setup.

Wiring Fixture Connectivity

Once fixtures are strategically placed, the next challenge lies in wiring fixture connectivity. Each fixture must be accurately connected to the designated wiring, adhering to the principles outlined in the 208V lighting wiring diagram. This stage demands precision, as any deviation in wiring can impact the overall performance and efficiency of the lighting system.

Junction Boxes: Organizing Connections

Junction Boxes Organizing Connections

Junction boxes serve as the organizational backbone of 208V lighting wiring diagrams. These boxes house connections, providing a centralized point for managing the intricate network of wires. The academic understanding of junction box placement and utilization is crucial for professionals, as it enhances the efficiency of troubleshooting, maintenance, and future modifications to the lighting system.

Testing and Validation

Testing and Validation

Verification Protocols

Before the final switch is flipped, thorough testing and validation protocols must be executed. Professionals engaged in 208V lighting wiring diagrams should employ comprehensive testing measures to ensure the integrity of circuits and connections. This step is not merely a formality but a crucial phase in guaranteeing the reliability and safety of the entire lighting system.

Documentation for Future Reference

Documentation is the academic hallmark of a well-executed 208V lighting wiring diagram project. Professionals must maintain detailed records of the wiring layout, color codes, and connectivity maps for future reference. This documentation serves as a valuable resource for troubleshooting, modifications, and ensuring consistency in subsequent projects.

Conclusion: Mastering 208V Lighting Wiring Diagrams

In conclusion, the academic exploration of 208V lighting wiring diagrams illuminates the intricate dance between power configurations, components, and safety protocols. Professionals navigating this realm must acquire a deep understanding of the fundamental principles, color coding conventions, grounding strategies, and fixture integration techniques. Mastery of junction box organization, meticulous testing, and comprehensive documentation are essential to ensuring the success of 208V lighting projects. Through academic rigor and practical application, professionals can confidently navigate the complexities of 208V lighting wiring diagrams and contribute to the creation of safe, efficient, and brilliantly illuminated spaces.

Another point of view about 208V LIGHTING WIRING DIAGRAM.

1. Introduction: The 208V lighting wiring diagram stands as a crucial blueprint in the domain of electrical systems, demanding academic scrutiny to unravel its intricacies and significance.

2. Foundational Understanding: Before delving into the diagram specifics, a foundational grasp of 208V power and its three-phase configuration is imperative for professionals navigating the intricacies of lighting systems.

3. Component Analysis: The heart of the 208V lighting wiring diagram lies in its components, each demanding academic consideration. Copper conductors, insulating materials, and connectors must align with 208V specifications for an effective system.

4. Connectivity Challenges: Achieving seamless connectivity in 208V setups requires an academic understanding of parallel and series connections. Professionals must navigate this challenge to optimize power distribution across the lighting network.

5. Color Coding Conventions: The academic perspective emphasizes the universal language of color coding in electrical systems. Proficiency in color coding nuances within 208V lighting wiring diagrams is essential for comprehensive system comprehension.

6. Grounding Principles: Grounding, a cornerstone of electrical safety, assumes heightened importance in 208V lighting wiring diagrams. An academic approach ensures meticulous adherence to grounding principles for a secure operating environment.

7. Fixture Integration: Strategic fixture placement demands an academic understanding of room layout, intended use, and aesthetic considerations. Professionals must integrate fixtures precisely, aligning with the intricacies of the 208V lighting wiring diagram.

8. Junction Boxes: Organizational mastery of junction boxes is an academic hallmark in 208V lighting wiring diagrams. These boxes centralize connections, enhancing efficiency in troubleshooting, maintenance, and future modifications.

9. Testing and Validation: Rigorous testing and validation protocols, viewed through an academic lens, are essential to ensure the integrity of circuits and connections in 208V lighting wiring diagrams.

10. Documentation: The academic perspective underscores the importance of meticulous documentation, serving as a valuable resource for future reference in troubleshooting, modifications, and maintaining consistency in subsequent projects.

11. Conclusion: Through academic rigor and practical application, professionals can master the complexities of 208V lighting wiring diagrams, contributing to the creation of safe, efficient, and brilliantly illuminated spaces.

Conclusion : Bright Ideas Unveiled: Mastering the 208V Lighting Wiring Diagram.

As we draw the curtains on our exploration of the 208V lighting wiring diagram, I want to extend my sincere appreciation to each reader who accompanied us on this enlightening journey. Delving into the complexities of electrical systems requires not only technical know-how but also a passion for the artistry of lighting design. The significance of the 208V lighting wiring diagram lies not just in its technical specifications but in the transformative power it holds to illuminate spaces with precision and purpose.

As you embark on your own endeavors within the realm of electrical installations, remember that mastery of the 208V lighting wiring diagram is a journey rather than a destination. The intricacies we've explored here serve as a foundation for your continued growth and expertise. Approach each project with a sense of curiosity, embracing the challenges as opportunities to refine your skills. Whether you are a seasoned professional or a budding enthusiast, the 208V lighting wiring diagram encapsulates a fascinating fusion of science and art, where technical precision meets the poetic dance of light. May your future endeavors be brilliantly illuminated by the knowledge gained here, and may your every connection be a testament to the mastery of the electrical symphony within the 208V lighting wiring diagram.

Question and answer Bright Ideas Unveiled: Mastering the 208V Lighting Wiring Diagram

Questions & Answer :

Q: Is understanding a 208V lighting wiring diagram complicated?

  • A: Not at all! Think of it as decoding the blueprint of a brilliant light show. With the right guidance and a dash of curiosity, unraveling the mysteries of a 208V lighting wiring diagram can be a creatively satisfying endeavor.

Q: Can I add a personal touch to my 208V lighting wiring diagram?

  • A: Absolutely! Much like an artist with their canvas, feel free to infuse your unique flair into the arrangement of fixtures and the intricacies of wiring. After all, a 208V lighting wiring diagram is not just a technical guide; it's a canvas for your creative expression in the realm of illumination.

Q: Are there unconventional ways to approach 208V lighting wiring diagrams?

  • A: Certainly! Break free from conventional thinking and explore unconventional pathways in your wiring journey. Creativity knows no bounds, and your 208V lighting wiring diagram can be a canvas for innovative solutions and out-of-the-box thinking.

Q: How can I make my lighting setup stand out using a 208V wiring diagram?

  • A: Inject personality into your lighting setup! Experiment with unique fixture placements, explore diverse color palettes, and let your creativity shine through. A 208V lighting wiring diagram is not just a technical guide; it's your passport to a one-of-a-kind illumination masterpiece.

Keywords : 208V LIGHTING WIRING DIAGRAM

0 komentar