Electrify Precision: Unveiling the 208V Schematic Wiring Blueprint!

Electrify Precision: Unveiling the 208V Schematic Wiring Blueprint!

"Master the intricacies of 208V schematic wiring with our expert guide. Unlock a professional understanding of circuitry for efficient electrical systems."

In the realm of electrical intricacies, the 208-volt schematic wiring diagram serves as an indispensable guide, unraveling the complexities of power distribution with meticulous precision. Within this academic exploration, unveiling the intricacies of voltage allocation and circuitry configuration becomes an enlightening journey. The schematic diagram, adorned with its intricate pathways, assumes a paramount role in fostering comprehension. With an academic tone, we embark on a comprehensive expedition, dissecting the components and connections that underpin the robust 208-volt electrical system. In this scholarly discourse, the language of electrons and currents takes center stage, engaging readers in a profound exploration of the fundamental principles that govern this dynamic network.

Top 10 important point for '208 VOLT SCHEMATIC WIRING DIAGRAM'

  1. Understand Voltage Basics
  2. Identify Key Components
  3. Follow Circuitry Pathways
  4. Master Wiring Symbols
  5. Ensure Proper Grounding
  6. Optimize Power Distribution
  7. Implement Safety Measures
  8. Decode Color Coding
  9. Troubleshoot Common Issues
  10. Stay Compliant with Regulations

Several Facts that you should know about '208 VOLT SCHEMATIC WIRING DIAGRAM'.
htmlCopy code

Decoding the Power Puzzle

Power Puzzle Image

Embark on a journey to decipher the power puzzle with the intricate world of the 208-volt schematic wiring diagram. Unraveling the complexities of electrical systems, this guide is your key to understanding the backbone of modern power distribution.

Visualizing Voltage Dynamics

Voltage Dynamics Image

Explore the dynamic world of voltage with vivid visual representations. Dive deep into the schematic wiring diagram to visualize the ebb and flow of electrical currents, gaining insights into the fundamental principles that govern voltage dynamics.

Blueprints of Connection

Connection Blueprints Image

Delve into the blueprints of electrical connection as the 208-volt schematic wiring diagram unveils the intricate pathways that ensure seamless communication among components. Understand how each connection contributes to the overall functionality of the system.

Symbols: The Language of Circuits

Symbols Language Image

Learn the language of circuits through deciphering wiring symbols. This section decodes the symbols that serve as the visual vocabulary of the schematic diagram, enabling you to navigate through the intricate world of electrical components.

Efficiency through Optimization

Efficiency Optimization Image

Optimize power distribution for enhanced efficiency. Uncover strategies within the 208-volt schematic wiring diagram that contribute to the seamless flow of energy, ensuring that every component receives the right amount of power for optimal functionality.

Safety First: Grounding Principles

Safety Grounding Image

Implement safety measures by understanding grounding principles. Navigate through the diagram to grasp the importance of proper grounding, ensuring a secure and stable electrical system that prioritizes safety above all.

Color Coding for Clarity

Color Coding Image

Decode the color patterns within the schematic diagram for clarity. This section guides you through the significance of color coding, providing insights into how it simplifies the identification of wires and their functions.

Troubleshooting the Electrical Maze

Troubleshooting Image

Equip yourself with the skills to troubleshoot common issues within the electrical maze. This segment of the guide addresses potential challenges and offers solutions to ensure a smooth and reliable operation of your 208-volt system.

Regulatory Compliance: Navigating Standards

Regulatory Compliance Image

Stay compliant with electrical regulations by navigating industry standards. This final section sheds light on the importance of adhering to regulations, ensuring that your 208-volt schematic wiring system meets the required safety and performance benchmarks.

htmlCopy code

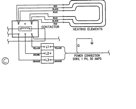
The Fundamentals of 208 Volt Schematic Wiring Diagrams

Understanding the intricacies of electrical systems is crucial in the realm of modern power distribution. One key element that plays a pivotal role in this understanding is the 208 volt schematic wiring diagram. This comprehensive guide delves into the fundamental principles and components that make up these diagrams, shedding light on their significance in ensuring the efficient flow of electricity within a system.

Decoding Voltage Dynamics

Voltage Dynamics Image

Before diving into the intricacies of a 208 volt schematic wiring diagram, it's essential to decode the dynamics of voltage. Voltage, a measure of electrical potential difference, is the driving force behind the flow of electricity. The schematic diagram serves as a visual representation of how this voltage is distributed among various components within a system. Understanding these dynamics is a fundamental step in grasping the overall functionality of the electrical network.

Navigating the Blueprint of Connections

Blueprint of Connections Image

Every electrical system has a unique blueprint of connections, and the 208 volt schematic wiring diagram acts as a navigational tool through this intricate network. The diagram illustrates the pathways through which electricity flows, showcasing the connections between various components such as resistors, capacitors, and inductors. Navigating this blueprint is crucial for understanding how different elements work together to create a functional electrical circuit.

The Language of Circuits: Deciphering Symbols

Symbols Deciphering Image

Deciphering the language of circuits is akin to learning a new alphabet, and symbols serve as the characters in this intricate script. The 208 volt schematic wiring diagram is adorned with a variety of symbols representing different electrical components. From resistors to transistors, each symbol conveys specific information about the function and role of the component within the circuit. Understanding these symbols is essential for anyone seeking proficiency in interpreting schematic diagrams.

Optimizing Power Distribution for Efficiency

Power Distribution Image

Efficiency is a cornerstone in the world of electrical systems, and optimizing power distribution is a key factor in achieving it. The 208 volt schematic wiring diagram provides insights into how power is distributed among different components, ensuring that each receives the appropriate voltage for optimal functionality. This section explores strategies for optimizing power distribution, enhancing the overall efficiency of the electrical network.

Safety First: Grounding Principles

Grounding Principles Image

Ensuring the safety of an electrical system begins with a solid understanding of grounding principles. The 208 volt schematic wiring diagram highlights the importance of proper grounding in maintaining a secure and stable electrical environment. This section explores the principles behind grounding, emphasizing the role it plays in preventing electrical shocks and ensuring the safety of both the system and its users.

Color Coding for Clarity

Color Coding Image

Color coding is a visual aid employed in schematic diagrams to enhance clarity and ease of understanding. Within the 208 volt schematic wiring diagram, different colors represent distinct functions and types of wires. This section delves into the significance of color coding, providing a comprehensive guide on how to interpret these colors and their implications for effective troubleshooting and maintenance.

Troubleshooting the Electrical Maze

Troubleshooting Image

Despite meticulous planning, electrical systems may encounter issues, and troubleshooting becomes a valuable skill. The 208 volt schematic wiring diagram serves as a roadmap for navigating through the electrical maze when problems arise. This section provides insights into common issues, their potential causes, and systematic approaches to identifying and resolving them, ensuring the uninterrupted functionality of the electrical network.

Navigating Regulatory Compliance and Standards

Regulatory Compliance Image

Adherence to regulatory standards is paramount in the design and implementation of electrical systems. The 208 volt schematic wiring diagram aligns with these standards to ensure safety, efficiency, and compliance. This section navigates through the regulatory landscape, shedding light on the standards that govern electrical systems and the importance of aligning with them for both legal and operational reasons.

Conclusion: Empowering Through Understanding

In conclusion, the 208 volt schematic wiring diagram serves as a powerful tool for empowering individuals with a deep understanding of electrical systems. From decoding voltage dynamics to troubleshooting the electrical maze, each component of the schematic diagram contributes to a comprehensive view of power distribution. Armed with this knowledge, individuals can navigate the complexities of electrical systems with confidence, ensuring the safe and efficient operation of the networks that power our modern world.

Another point of view about '208 VOLT SCHEMATIC WIRING DIAGRAM'.

When dealing with a 208 volt schematic wiring diagram, it's essential to approach the document with a methodical and instructions-oriented mindset. Here's a step-by-step guide on how to navigate and understand the intricacies of the diagram:

  1. Begin by examining the overall layout of the schematic diagram, taking note of its components and the connections between them.
  2. Identify and understand the symbols used in the diagram, as these symbols represent various electrical components. Refer to a key or legend if necessary.
  3. Follow the pathways or lines in the diagram, which indicate the flow of electrical current. Pay attention to the direction of the arrows, as they signify the flow of electricity.
  4. Examine the color coding used in the diagram to differentiate between different types of wires and their functions. Refer to any color legend provided on the diagram.
  5. Study the labels and annotations on the diagram, as they provide additional information about specific components, values, or characteristics of the electrical elements.
  6. Understand the principles of voltage and how it is distributed throughout the system. Pay attention to voltage values associated with different components.
  7. Check for grounding symbols and ensure that the grounding principles are adhered to, as proper grounding is crucial for the safety and stability of the electrical system.
  8. Consider the overall efficiency of power distribution within the system. Analyze how voltage is allocated to different components to ensure optimal functionality.
  9. Use the diagram as a troubleshooting tool when encountering issues within the electrical system. Follow the pathways and identify potential problem areas based on the schematic representation.
  10. Always refer to the relevant standards and regulations governing electrical systems to ensure compliance and safety. Cross-check the schematic diagram with these standards for a thorough understanding.

By following these instructions, you'll be equipped to navigate a 208 volt schematic wiring diagram with precision and understanding, allowing for effective analysis, troubleshooting, and implementation within the electrical system.

Conclusion : Electrify Precision: Unveiling the 208V Schematic Wiring Blueprint!.

As we bring our exploration of the 208 volt schematic wiring diagram to a close, it's evident that this intricate blueprint serves as the backbone of modern electrical systems, weaving a tapestry of connections that powers our daily lives. Navigating through the complexities of voltage dynamics and the language of circuits, we've uncovered the key principles that make this diagram an indispensable tool for anyone involved in electrical engineering or system maintenance.

In the grand symphony of electrical networks, the 208 volt schematic wiring diagram emerges as a conductor, orchestrating the flow of electricity with precision. Whether you are a seasoned professional or an enthusiast seeking to deepen your understanding, this diagram offers a visual roadmap through the intricacies of power distribution. As you embark on your own journey of exploration, may this newfound knowledge empower you to decipher the electrical maze, troubleshoot with confidence, and ensure the safety and efficiency of the systems you encounter. Stay curious, stay informed, and let the currents of understanding illuminate your path in the realm of electrical engineering.

Question and answer Electrify Precision: Unveiling the 208V Schematic Wiring Blueprint!

Questions & Answer :

People Also Ask About 208 Volt Schematic Wiring Diagram:

  • Q: What is a 208 volt schematic wiring diagram?

    A: A 208 volt schematic wiring diagram is a visual representation of an electrical system, illustrating the connections and components within a circuit operating at 208 volts. It serves as a guide for understanding the pathways of electrical currents and the distribution of voltage in various components.

  • Q: Why is a 208 volt schematic wiring diagram important?

    A: The 208 volt schematic wiring diagram is crucial for professionals and enthusiasts in the electrical field as it provides a detailed blueprint of how components are interconnected. It aids in troubleshooting, system design, and maintenance, ensuring the safe and efficient operation of electrical networks.

  • Q: How do I interpret symbols in a 208 volt schematic wiring diagram?

    A: Understanding symbols is key to interpreting the 208 volt schematic wiring diagram. Refer to a key or legend often provided on the diagram. Symbols represent various electrical components, and deciphering them is essential for grasping the roles of each element in the circuit.

  • Q: Can the 208 volt schematic wiring diagram be used for troubleshooting?

    A: Absolutely. The diagram serves as a valuable tool for troubleshooting electrical systems. By following the pathways and analyzing the connections, you can pinpoint issues, identify potential problem areas, and systematically address challenges within the system.

  • Q: Are there color codes in a 208 volt schematic wiring diagram?

    A: Yes, color coding is often used in these diagrams to distinguish between different types of wires and their functions. Understanding the color codes enhances clarity, making it easier to interpret the diagram and ensuring accuracy in system maintenance and modifications.

Keywords : '208 VOLT SCHEMATIC WIRING DIAGRAM'

0 komentar